
工程竣工图章里面都有哪些人签字

竣工图章上的编制人,审核人,技术负责人怎么写,有没有规范要求

建筑施工蓝图盖章有没有什么规范要求呢

怎么画建筑竣工图

请问这个印章是多大的,具体字号,尺寸

工程无任何变更,竣工图可以完全按照施工图来出吗

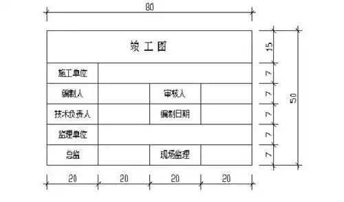
竣工图章

工程竣工图怎么叠

竣工图章可以由企业自己刻吗

工程竣工图怎么叠

竣工资料移交清单及竣工图章样式是

电子板的竣工图如何把竣工图印章放进去

作为资料员的你,知道工程移交资料要求吗零基础资料员脱产班

审图章样式,审图章,施工图审图章第20页大山谷图库

旧藏田黄石龙纹满工印章摆件,尺寸7.56.06.0厘米,重量3885克,细节图如下

昆仑冻大尺寸印章,产地直销,煤块价格起拍
丝路表情包大全












