
全套竣工图编制内容与审核规定,项目经理必学

工程竣工图章里面都有哪些人签字

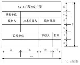
竣工图章上的编制人,审核人,技术负责人怎么写,有没有规范要求

竣工图章

作为资料员的你,知道工程移交资料要求吗零基础资料员脱产班

投诉湖南营养港房地产太阳城项目

干货分享竣工图怎么画竣工验收资料怎么整理编写读完文章就明白

工程部资料归档保管移交整理工程人员必学

建筑工程竣工资料常见的6个问题,你因为哪个多跑过腿儿

水利工程完工验收资料整编要求

竣工图章审核栏施工单位该由谁来签字

没有监理单位的工程,竣工图要盖什么样的的竣工图章呢

工程竣工图怎么叠

做好项目竣工结算,竣工图编制管理要点

建设工程消防验收常见资料问题

江门金汇城市广场内幕调查假印章玩转亿元项目
丝路表情包大全












